This page needs JavaScript activated to work. Hydraulisk Fældehoved / greb med fast rotor til Minigraver - 100% HARDOX
GRATIS FRAGT OVER HELE DANMARK

Åbningstider 09.00–16.30. Fri levering i hele landet med standardforsendelse. Forventet levering inden for 15–20 dage efter bekræftet ordre – telefonisk besked ved afsendelse.

Chuck Norris tilbyder dig 5%RABATpå det andet produkt SE DETALJER

Loading...

Hydraulisk Fældehoved / greb med fast rotor til Minigraver - 100% HARDOX

4.6

1323 anmeldelser

Tilgængelig
KODE CF10R
EAN 8053470236105
Se alle detaljer.
TOTALT
2.101,00(15.685,65 kr)VAT incl.
Fri fragt!
BED OM YDERLIGERE INFORMATION

DETALJER

DELEKS® CF-10R Træsaks klipper grene og stammer på op til 10 centimeter - Italiensk produktion - 100% Hardox, stålklinge hærdet. Med rotor.



OVERSIGT

CF-10R er optimal til at laste mindre træstammer og træ til brænde, til at rydde op på marker og til vejsider. DELEKS® CF-10R minigraverens hydrauliske skær kan samle mindre træer og pinde sammen med grabben for at skære dem over. Skæret har et kraftigt hærdet blad som vil skære rent og sikkert gennem tømmer.

Findes med kobling til minigraver (ved ønskemål).

Rotor: Lombarda Ingranaggi GR30FF Rotoren er kraftfuld, pålidelig og robust. Den er designet til at arbejde med tunge opgaver og giver maksimalt, med minimal stoptid. Maksimal kapacitet er 3000 kg.

Belastningsdiagram for rotator GR30FF: se tegning D. (Belastning - Load |  Kraftarm belastning Længde - Lever arm of force L).

 

 

FORDELE & FUNKTIONER

Fremstillet af 100% HARDOX for maksimal vridningsmodstand.

Kniv – Fremstillet i Italien, hærdet 43 HRC.

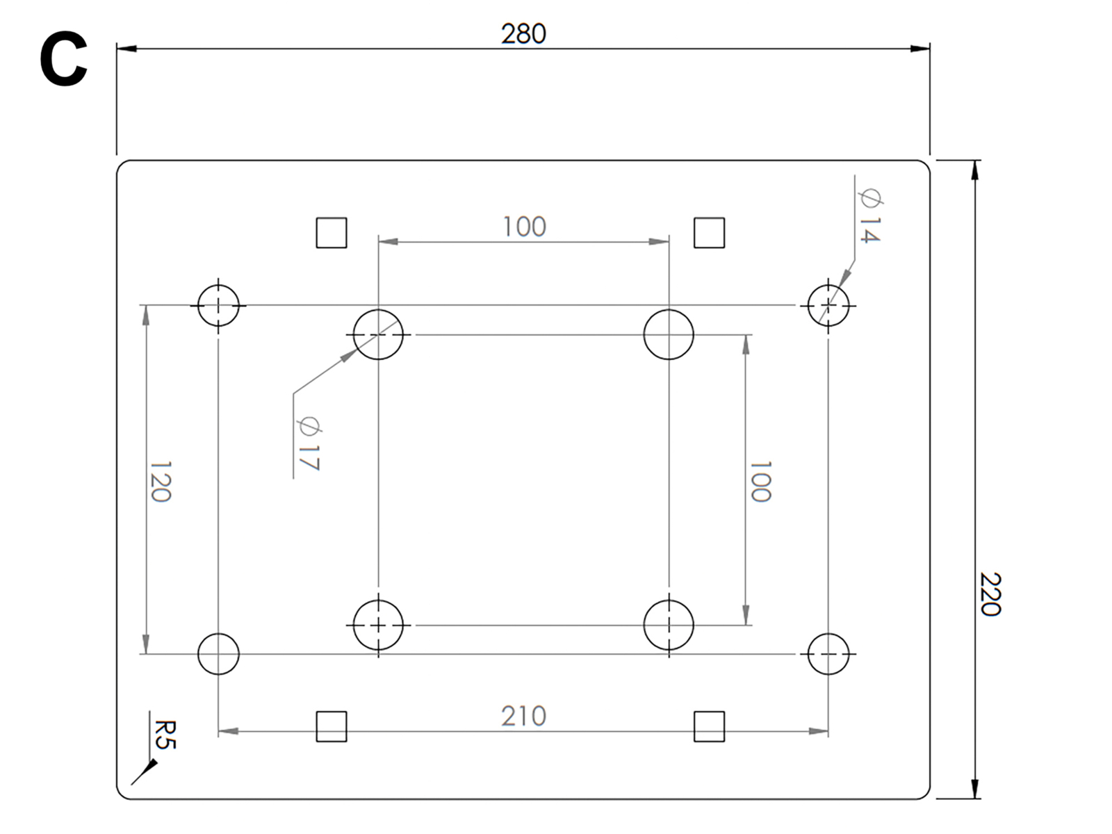
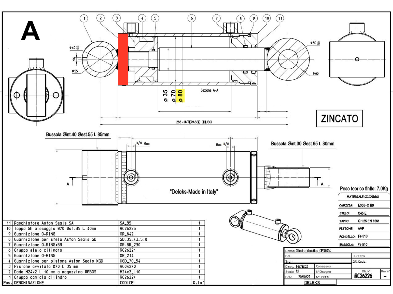
Hydraulisk cylinder specielt designet til denne brug med forstærket bund til at bære højde

belastninger (se tegning A).

Stifter i specialmateriale 42CrMo4 på ø30 og ø35 mm (se tegning B).

Den er let at sætte på og bruge.

CF-10R er det smalleste skær i sin kategori, og dets lette vægt gør minigraveren i stand til at bibeholde sin kapacitet.

Skæring ved jorden -> lave stubbe: DELEKS® CF-10R skærer det træ, der skal bruges, pænt og præcist ved det ønskede punkt over jorden, og dets tekniske funktioner sikrer at stubbe bliver skåret lavt ved Jorden.

2-in-1: skæring og lasting: Hvis det er nødvendigt, kan skærebladet fjernes og træskæreren fungerer i stedet som en skovklo.

 

 

KARAKTERISTIKA

Karakteristik Unità Metrisk
Vægt 72.0 kg
Skærediameter på træstammer 90-120 mm
Min/Maks trykudligning 150 - 210 bar
Min/Maks flyd 08/22 l/m
Hydraulikslanger Tryk: 400 bar
Max åbning 540.0 mm
Hydraulisk cylinder diameter 80.0 - 35.0 mm
Egnet til minigravere med vægt på
Egnet til kompakte minigravere med vægt på 1.0 - 2.0 ton
Embaleret forsendelsesstørrelse 600.0*800.0*450.0 mm
DETALJER
KARAKTERISTIKA

DETALJER

LUK

DELEKS® CF-10R Træsaks klipper grene og stammer på op til 10 centimeter - Italiensk produktion - 100% Hardox, stålklinge hærdet. Med rotor.



OVERSIGT

CF-10R er optimal til at laste mindre træstammer og træ til brænde, til at rydde op på marker og til vejsider. DELEKS® CF-10R minigraverens hydrauliske skær kan samle mindre træer og pinde sammen med grabben for at skære dem over. Skæret har et kraftigt hærdet blad som vil skære rent og sikkert gennem tømmer.

Findes med kobling til minigraver (ved ønskemål).

Rotor: Lombarda Ingranaggi GR30FF Rotoren er kraftfuld, pålidelig og robust. Den er designet til at arbejde med tunge opgaver og giver maksimalt, med minimal stoptid. Maksimal kapacitet er 3000 kg.

Belastningsdiagram for rotator GR30FF: se tegning D. (Belastning - Load |  Kraftarm belastning Længde - Lever arm of force L).

 

 

FORDELE & FUNKTIONER

Fremstillet af 100% HARDOX for maksimal vridningsmodstand.

Kniv – Fremstillet i Italien, hærdet 43 HRC.

Hydraulisk cylinder specielt designet til denne brug med forstærket bund til at bære højde

belastninger (se tegning A).

Stifter i specialmateriale 42CrMo4 på ø30 og ø35 mm (se tegning B).

Den er let at sætte på og bruge.

CF-10R er det smalleste skær i sin kategori, og dets lette vægt gør minigraveren i stand til at bibeholde sin kapacitet.

Skæring ved jorden -> lave stubbe: DELEKS® CF-10R skærer det træ, der skal bruges, pænt og præcist ved det ønskede punkt over jorden, og dets tekniske funktioner sikrer at stubbe bliver skåret lavt ved Jorden.

2-in-1: skæring og lasting: Hvis det er nødvendigt, kan skærebladet fjernes og træskæreren fungerer i stedet som en skovklo.

 

 

KARAKTERISTIKA

LUK
Karakteristik Unità Metrisk
Vægt 72.0 kg
Skærediameter på træstammer 90-120 mm
Min/Maks trykudligning 150 - 210 bar
Min/Maks flyd 08/22 l/m
Hydraulikslanger Tryk: 400 bar
Max åbning 540.0 mm
Hydraulisk cylinder diameter 80.0 - 35.0 mm
Egnet til minigravere med vægt på
Egnet til kompakte minigravere med vægt på 1.0 - 2.0 ton
Embaleret forsendelsesstørrelse 600.0*800.0*450.0 mm

Anmeldelser

Hvad vores kunder siger om os