DELEKS S.r.l.
Via Industriale, 23
25028 Verolanuova (BS) Italy
Tel. 030 6585725
Mail info@deleks.com
Lun - Ven: 9.00-13.00 / 14.00-18.00
Hydraulisk Fældehoved / greb til Minigraver - 100% HARDOX
DETALJER
DELEKS® hydraulisk fældesaks + gribe - Italiensk produktion - 100% Hardox, stålklinge hærdet, til skæring og håndtering af kævler og træer op til ø 10 cm.
OVERSIGT
CF-10 er optimal til at laste mindre træstammer og træ til brænde, til at rydde op på marker og til vejsider. DELEKS® CF-10 minigraverens hydrauliske skær kan samle mindre træer og pinde sammen med grabben for at skære dem over. Skæret har et kraftigt hærdet blad som vil skære rent og sikkert gennem tømmer.
Findes med kobling til minigraver (ved ønskemål).
Dette skær findes som fikseret eller kan roteres 360 grader med en hydraulisk rotor for at afskære træer eller skære væltet træ over.
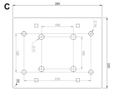
Pladefastgørelsesmål: Se tegning C.
FORDELE & FUNKTIONER
Fremstillet af 100% HARDOX for maksimal vridningsmodstand.
Kniv – Fremstillet i Italien, hærdet 43 HRC.
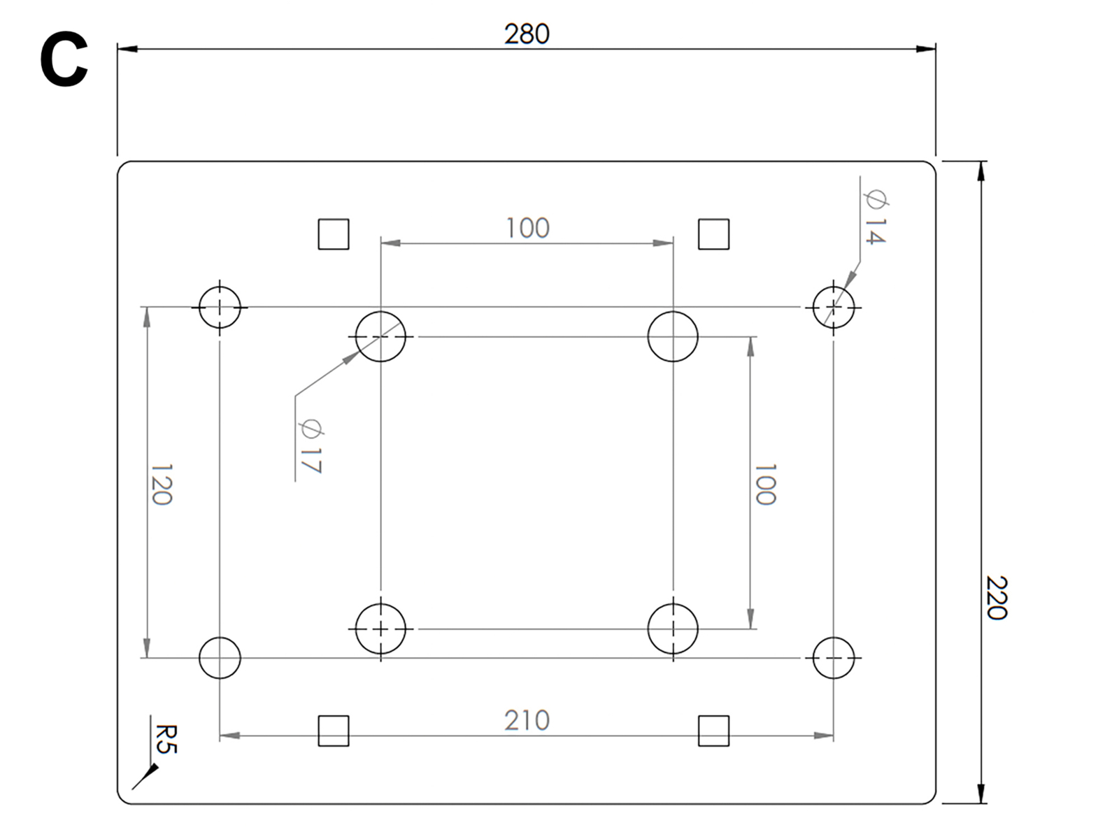
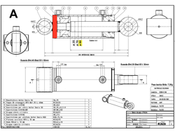
Hydraulisk cylinder specielt designet til denne brug med forstærket bund til at bære højde
belastninger (se tegning A).
Stifter i specialmateriale 42CrMo4 på ø30 og ø35 mm (se tegning B).
Den er let at sætte på og bruge.
CF-10 er det smalleste skær i sin kategori, og dets lette vægt gør minigraveren i stand til at bibeholde sin kapacitet.
Skæring ved jorden -> lave stubbe: DELEKS® CF-10 skærer det træ, der skal bruges, pænt og præcist ved det ønskede punkt over jorden, og dets tekniske funktioner sikrer at stubbe bliver skåret lavt ved Jorden.
2-in-1: skæring og lasting: Hvis det er nødvendigt, kan skærebladet fjernes og træskæreren fungerer i stedet som en skovklo.
KARAKTERISTIKA
| Karakteristik | Unità Metrisk |
|---|---|
| Vægt | 52.0 kg |
| Skærediameter på træstammer | 90-120 mm |
| Min/Maks trykudligning | 150 - 210 bar |
| Min/Maks flyd | 08/22 l/m |
| Max åbning | 540.0 mm |
| Hydraulisk cylinder diameter | 80.0 - 35.0 mm |
| Egnet til minigravere med vægt på | |
| Egnet til kompakte minigravere med vægt på | 1.0 - 2.0 ton |
| Embaleret forsendelsesstørrelse | 600.0*800.0*450.0 mm |
DETALJER
LUKDELEKS® hydraulisk fældesaks + gribe - Italiensk produktion - 100% Hardox, stålklinge hærdet, til skæring og håndtering af kævler og træer op til ø 10 cm.
OVERSIGT
CF-10 er optimal til at laste mindre træstammer og træ til brænde, til at rydde op på marker og til vejsider. DELEKS® CF-10 minigraverens hydrauliske skær kan samle mindre træer og pinde sammen med grabben for at skære dem over. Skæret har et kraftigt hærdet blad som vil skære rent og sikkert gennem tømmer.
Findes med kobling til minigraver (ved ønskemål).
Dette skær findes som fikseret eller kan roteres 360 grader med en hydraulisk rotor for at afskære træer eller skære væltet træ over.
Pladefastgørelsesmål: Se tegning C.
FORDELE & FUNKTIONER
Fremstillet af 100% HARDOX for maksimal vridningsmodstand.
Kniv – Fremstillet i Italien, hærdet 43 HRC.
Hydraulisk cylinder specielt designet til denne brug med forstærket bund til at bære højde
belastninger (se tegning A).
Stifter i specialmateriale 42CrMo4 på ø30 og ø35 mm (se tegning B).
Den er let at sætte på og bruge.
CF-10 er det smalleste skær i sin kategori, og dets lette vægt gør minigraveren i stand til at bibeholde sin kapacitet.
Skæring ved jorden -> lave stubbe: DELEKS® CF-10 skærer det træ, der skal bruges, pænt og præcist ved det ønskede punkt over jorden, og dets tekniske funktioner sikrer at stubbe bliver skåret lavt ved Jorden.
2-in-1: skæring og lasting: Hvis det er nødvendigt, kan skærebladet fjernes og træskæreren fungerer i stedet som en skovklo.
KARAKTERISTIKA
LUK| Karakteristik | Unità Metrisk |
|---|---|
| Vægt | 52.0 kg |
| Skærediameter på træstammer | 90-120 mm |
| Min/Maks trykudligning | 150 - 210 bar |
| Min/Maks flyd | 08/22 l/m |
| Max åbning | 540.0 mm |
| Hydraulisk cylinder diameter | 80.0 - 35.0 mm |
| Egnet til minigravere med vægt på | |
| Egnet til kompakte minigravere med vægt på | 1.0 - 2.0 ton |
| Embaleret forsendelsesstørrelse | 600.0*800.0*450.0 mm |
English
