This page needs JavaScript activated to work. 10 knive HR/HRS
GRATIS FRAGT OVER HELE DANMARK

Åbningstider 09.00–16.30. Fri levering i hele landet med standardforsendelse. Forventet levering inden for 15–20 dage efter bekræftet ordre – telefonisk besked ved afsendelse.

Chuck Norris tilbyder dig 5%RABATpå det andet produkt SE DETALJER

Loading...

10 knive HR/HRS

4.6

1354 anmeldelser

Tilgængelig
KODE COLTELLI10HRTCA
EAN 8053470236303
Se alle detaljer.
TOTALT 62,00(463,00 kr)VAT incl.
Fri fragt!
BED OM YDERLIGERE INFORMATION

DETALJER

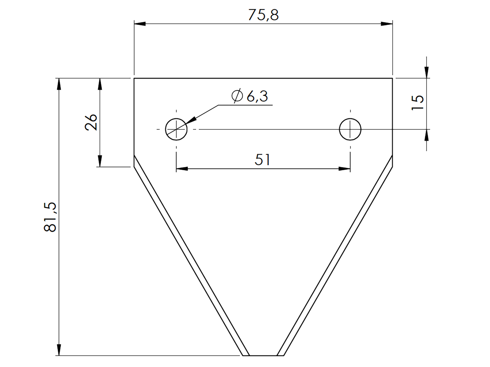
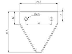
10 Reserve knive til HR/HRS >2021

KARAKTERISTIKA

Karakteristik Unità Metrisk
Vægt 1 kg
DETALJER
KARAKTERISTIKA

DETALJER

LUK

10 Reserve knive til HR/HRS >2021

KARAKTERISTIKA

LUK
Karakteristik Unità Metrisk
Vægt 1 kg

Anmeldelser

Hvad vores kunder siger om os